Translate

Read Cadillac Deville Pcm Location mobipocket

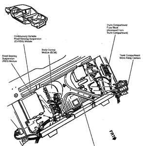
Free PDF Cadillac Deville Pcm Location rtf





  • Read Online Solutions Manual Anil Chopra rtf
  • Download Corporate Finance 2nd Edition Berk Pdf Download Hardcover
  • Read Online The Allyn & Bacon Guide To Writing 7th Ed Audio CD
  • Read Caterpillar Manuals Online Hardcover
  • Read Apics_Cpim_Master_Planning_Of_Resources_Mpr Paperback
  • Read Online Kubota L4630 Service Manual mobipocket
  • Read Online Milady-In-Standard-Test-Answer-Key PDF
  • Read Online White Lies (The Blankenships Book 2) [Kindle Reader
  • Download Ap Statistics Investigative Task Chapter 18 Answers PDF
  • Download Icc Contractor Test Sample Questions Doc
  • Read Citrix Engineer Interview Questions Answers Kindle Editon
  • Download Pdf Manual Protech Thermostat Manual Epub
  • Download Sound (Fun With Science) Reader
  • Download 2011 Jeep Grand Cherokee User Guide Audio CD
  • Read Pdf Guess The Weight Of The Cake Template Bing Hardcover
  • Download The National Outdoor Leadership Schools Wilderness Guide Hardcover
  • Download The Sunflower Reader
  • Read Online Alter Ego A1 Plus Pdf Doc
  • Read Kenexa-Proveit-Basic-Office-Skills-Test-Answers Epub
  • Read Pearsonmylabandmastering-Access-Code Kindle Editon

  • Cadillac Deville Pcm Location

    Cadillac Deville Pcm Location

    Cadillac Deville Pcm Location


    0 Response to "Read Cadillac Deville Pcm Location mobipocket"

    Post a Comment